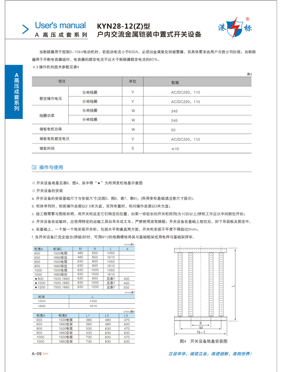
KYN28-12(Z)型户内交流金属铠装中置式开关设备

KYN28-12(Z)型户内交流金属铠装中置式开关设备









Copyright 昆明港标电器有限公司 All Rights Reserved 技术支持:鼎诺传媒

热线电话:
400-0727-088

QQ客服

在线客服